Selamat bersambung
Dalam konteks perkembangan pesat industri tenaga baharu, senario seperti penyimpanan tenaga komersial dan perindustrian , stesen pertukaran bateri , dan sistem storan fotovoltaik isi rumah telah meletakkan permintaan yang lebih tinggi ke atas ketepatan, keserasian, dan kecerdasan daripada pemeteran elektrik . Acrel Electric telah membangunkan rangkaian lengkap penyelesaian instrumentasi sokongan tenaga baharu. Penyelesaian ini direka khas untuk keperluan teras senario aplikasi yang berbeza, meliputi keperluan pemeteran daripada aplikasi isi rumah berkuasa rendah kepada sistem penyimpanan tenaga industri dan komersial berskala besar. Penyelesaian menyediakan sokongan yang boleh dipercayai untuk operasi yang stabil dan pemeteran tepat sistem tenaga baharu.
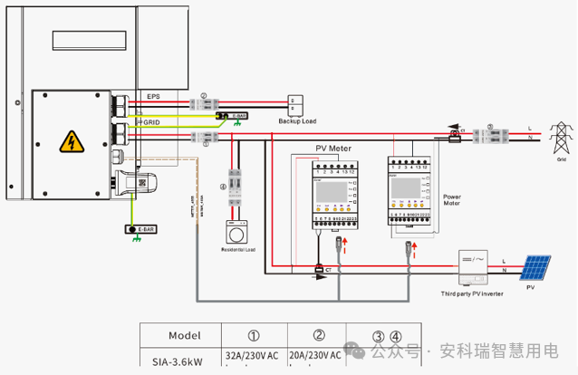
Fotovoltaik kediaman dan simpanan tenaga mewakili senario aplikasi penting untuk mempopularkan tenaga baharu. Acrel telah membangunkan produk instrumen yang sangat serasi yang menyasarkan sub-senario yang berbeza, termasuk pemadanan penyongsang storan tenaga, penyepaduan penyongsang hibrid, sistem storan fotovoltaik balkoni, dan sistem penghantaran telus titik-ke-titik storan tenaga mikro . Produk ini mengimbangi integrasi, kelajuan pengukuran dan fleksibiliti komunikasi.
Sebagai tindak balas kepada ciri pasaran keserasian berbilang jenama dalam sistem storan fotovoltaik dan tenaga, konfigurasi RS485 CT diguna pakai untuk menampung keadaan pemasangan yang tidak menentu untuk ejen profesional. Instrumen diperakui dengan pensijilan antarabangsa CE-MID, UL, dan RCM. Dengan kadar segar semula data berkelajuan tinggi 50ms, peranti juga menyokong pelarasan jujukan fasa, memastikan pemeteran yang tepat dan keserasian yang kukuh.
Untuk keperluan penyepaduan tinggi bagi reka bentuk penyongsang storan tenaga semua-dalam-satu dan keperluan pemeteran dwi-saluran dalam senario pengubahsuaian, instrumen dilengkapi dengan terminal palam cepat voltan dan arus serta port komunikasi RJ45. Mereka juga menyokong kadar penyegaran data 50ms dan pelarasan jujukan fasa, bersama-sama dengan sistem pensijilan yang komprehensif, menjadikannya sesuai untuk senario pemasangan semula dan baharu.
Direka khusus untuk sistem storan fotovoltaik dan tenaga teragih kuasa rendah pada balkoni, penyelesaian ini mengimbangi integrasi tinggi dengan pemasangan dan pentauliahan yang mudah. Selain daripada pemeteran dwi saluran dan terminal palam cepat , ia juga menyokong WiFi, WiFi HaLow dan fungsi penyahpepijatan Bluetooth . Reka bentuk wayarles memudahkan pemasangan dengan ketara dalam senario berskala kecil, dan produk tersebut memegang pensijilan CE-RED.
Untuk menangani penembusan yang lemah dan prestasi rangkaian yang tidak stabil daripada traditional WiFi in micro-energy storage scenarios, WiFi HaLow (Sub-1GHz) teknologi komunikasi diterima pakai. Berbanding dengan WiFi tradisional, ia menyediakan keupayaan penembusan yang lebih kuat dan jarak penghantaran yang lebih jauh. Berbanding dengan komunikasi LoRa, ia menawarkan kelajuan penghantaran yang lebih tinggi dan kestabilan yang lebih baik. Instrumen asli menyokong teknologi ini, hanya memerlukan AP tambahan pada bahagian penyongsang untuk membolehkan komunikasi tanpa wayar. Ia juga menyokong konfigurasi rangkaian pantas satu-ke-satu dan satu-ke-banyak, menjadikannya sesuai untuk sistem storan mikro berbilang penyongsang dan balkoni isi rumah.
Penyimpanan tenaga industri dan komersial, storan tenaga berskala besar dan stesen pertukaran bateri memerlukan piawaian yang ketat dalam ketepatan pengukuran, kelajuan muat semula, fleksibiliti pemasangan dan pematuhan peraturan. Acrel menyediakan produk instrumen yang dibenamkan dan dipasang DIN-rel berdasarkan keperluan utama seperti pengebilan berbilang tarif, pemeteran permintaan, perlindungan aliran kuasa anti-terbalikan, dan komunikasi tanpa wayar , menyokong kedua-dua pemasangan baharu dan aplikasi pengubahsuaian.
APM521 telah memperoleh pensijilan CSA (UL) luar negara dan menyediakan ketepatan pengukuran tenaga aktif sehingga kelas 0.2s (Kelas D). Ia dilengkapi dengan storan kad SD untuk parameter elektrik masa nyata. Reka bentuk modul pengembangan unit utama modular menyokong kedua-dua pemasangan tertanam dan DIN-rel, memenuhi keperluan pemasangan yang pelbagai dalam projek baharu.
Ini adalah meter kelas 0.5S dengan CT luaran, digunakan secara meluas dalam aplikasi pelanggan yang besar. Ia menyokong pendawaian pengubahsuaian CT sekunder dan boleh terus mengapit arus sisi sekunder pengubah arus sedia ada, menjadikannya sangat sesuai untuk projek pengubahsuaian meter. Produk ini memegang pensijilan CPA, CE dan UL dan juga boleh disesuaikan menjadi versi muat semula berkelajuan tinggi untuk memenuhi keperluan aplikasi berprestasi tinggi.
Di samping itu, penyelesaian perindustrian dan komersial juga menyepadukan fungsi perlindungan beban lampau. Sistem ini boleh disambungkan kepada senario storan tenaga sisi voltan tinggi dan rendah dan boleh berfungsi dengan meter elektrik berbilang tarif untuk mencapai pemeteran elektrik yang tepat di bawah struktur tarif yang berbeza, menyediakan sokongan keselamatan dan pengurusan tenaga yang komprehensif untuk sistem storan tenaga industri dan komersial serta stesen pertukaran bateri.
Dalam konteks peningkatan berterusan dalam industri tenaga baharu, Acrel akan terus menumpukan pada inovasi dan meningkatkan lagi teknologi instrumentasi sokongan tenaga baharu dan sistem produknya. Syarikat ini bertujuan untuk menyediakan lebih cekap, bijak dan boleh dipercayai pemeteran elektrik solutions untuk storan tenaga komersil dan industri, stesen pertukaran bateri dan aplikasi storan fotovoltaik isi rumah, membantu menggalakkan pembangunan industri tenaga baharu yang berkualiti tinggi.
