Permohonan Sistem IT Perubatan Acrel di Hospital Malaysia
Rumah / Projek / Hospital / Permohonan Sistem IT Perubatan Acrel di Hospital Malaysia

Permohonan Sistem IT Perubatan Acrel di Hospital Malaysia

Dengan peningkatan penggunaan peralatan perubatan elektronik di hospital, risiko kebocoran semasa menimbulkan ancaman yang signifikan terhadap keselamatan pesakit, terutamanya dalam persekitaran penjagaan kritikal. Semasa prosedur pembedahan atau anestesia, pesakit secara langsung dihubungkan dengan pelbagai elektrod dan sensor. Malah arus kebocoran minimum boleh menyebabkan kejutan elektrik apabila peranti perubatan bersentuhan langsung dengan tubuh manusia.

Selain itu, peralatan sokongan hidup untuk pesakit kritikal mesti mengekalkan operasi yang tidak terganggu. Mana -mana gangguan kuasa boleh membahayakan kehidupan pesakit dengan segera. Oleh itu, sistem elektrik hospital mesti mematuhi piawaian kebangsaan dengan melaksanakan sistem bekalan kuasa IT di kawasan yang ditetapkan.

Kajian kes ini menunjukkan penerapan sistem bekalan kuasa terpencil Acrel di Malaysia, yang menampilkan:

Pengagihan Kuasa IT Perubatan

Peranti pemantauan penebat

Sistem lokasi kesalahan

Hubungi kami
  • Gambaran keseluruhan projek
  • Gambaran Keseluruhan Projek
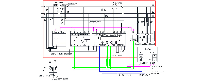
    Malaysia i.e.d terletak di Selangor Darul Ehsan, projek ini digunakan terutamanya di Hospital Pulau di Malaysia, produk-produk tersebut digunakan untuk 12 lokasi penebat litar untuk 3 set sistem kuasa terpencil hospital, produk yang berkaitan adalah alat pemantau penebat m200, penjana isyarat isyarat asg150, AKH-0.66P26.


    Pengenalan Sistem IT Perubatan
    Acrel Medical Sistem Pemantauan Penebat Sistem dan Sistem Lokasi Kesalahan Sesuai untuk Bilik Operasi Hospital, ICU (CCU) dan tempat -tempat penting lain, dan boleh menyediakan tempat yang selamat untuk penyelesaian kuasa yang berterusan dan boleh dipercayai.


    Penyelesaian bekalan kuasa untuk lokasi perubatan
    ICU, Penyelesaian Pengedaran Ward CCU (GGF-I8G Mengasingkan Rajah Sistem Kabinet Elektrik, sebagai contoh)


    Opsyen I Tanpa Fungsi Lokasi Kesalahan


    Pilihan II dengan fungsi lokasi kesalahan

    Nota: Dalam penyelesaian pengagihan kuasa unit penjagaan rapi, siri bantuan penggera berpusat dan peranti paparan harus dipasang di stesen jururawat, kakitangan hospital stesen jururawat memantau status operasi setiap sistem kuasa terpencil.


    Penyelesaian Pengedaran Bilik Operasi (GGF-O8G Mengasingkan Rajah Sistem Kabinet Elektrik, sebagai contoh)

    Opsyen I tanpa fungsi lokasi kesalahan penebat


    Pilihan II dengan fungsi lokasi kesalahan penebat

    1. Semasa pembedahan, kakitangan perubatan memantau kesihatan sistem kuasa terpencil.

    2. Dalam skim dengan fungsi lokasi kesalahan penebat, jika bilangan saluran yang terletak lebih daripada lapan, dua set pencari AIL150 boleh digunakan. Gabungan ini boleh menjadi AIL150-8 dan AIL150-4 (sehingga 12 saluran), atau AIL150 -8 dan AIL150-8 (sehingga 16 saluran).

    3. Rajah pendawaian biasa






    4. Pengenalan 7 keping perubatan

    Nama Produk dan Jenis Gambar produk Penerangan
    Pengubah pengasingan perubatan siri AITR Pengubah pengasingan siri AITR digunakan secara khusus dalam sistem IT perubatan. Kambing dirawat dengan penebat berganda dan mempunyai lapisan perisai elektrostatik, yang mengurangkan gangguan elektromagnet antara belitan. Sensor suhu PT100 dipasang di dalam beg wayar untuk memantau suhu pengubah. Seluruh badan dirawat dengan cat pencerobohan vakum, yang meningkatkan kekuatan mekanikal dan rintangan kakisan. Produk ini mempunyai prestasi kenaikan suhu yang baik dan bunyi yang sangat rendah.
    AIM-M200 Instrumen Pemantauan Penebat Pintar Perubatan Instrumen Pemantauan Penebat ITELLIGENT AIM-M200 menggunakan teknologi mikrokontroler maju, yang mempunyai integrasi yang tinggi, saiz padat, pemasangan mudah dan mengintegrasikan itelligence, digitalisasi dan rangkaian dalam satu. Ia adalah pemilihan yang ideal untuk pemantauan penebat sistem kuasa terpencil di lokasi perubatan Kelas 2 seperti bilik operasi dan unit rawatan rapi.
    AKH-0.66P26 Pengubah semasa Pengubah semasa jenis AKH-O 66p26 adalah pengubah semasa pelindung yang menyokong monitor penebat AIM-M200, yang mana arus maksimum yang boleh diukur ialah 60A dan nisbah transformasi adalah 2000: 1. Transformer semasa ditetapkan secara langsung di dalam kabinet dengan mengacaukan, dan bahagian sekunder diketuai oleh terminal, yang mudah dipasang dan digunakan.
    AIL150-4/AIL150-8 Pencari kesalahan penebat AIL150-4/AIL150-8 Pencari kesalahan penebat adopts high sensitivity transformer combined with a high precision signal detecting circuit, which detects the signal imported into the system from the ASG150 test signal generator and accurately locates the circuits which have insulation faults. AIL150-4 insulation fault locator can locate the insulation faults of 4 circuits, and the AIL150-8 insulation fault locator can locate the insulation faults of 8 circuits.
    Penjana isyarat ujian ASG150 Penjana isyarat ujian ASG150 mengamalkan cip mikropemproses 32-bit dan litar penjanaan isyarat ketepatan tinggi untuk merealisasikan penjanaan isyarat ujian tertentu. Apabila sistem IT yang dipantau mempunyai kesalahan penebat, ia boleh memulakan dan menghasilkan isyarat ujian dalam masa, bekerja dengan penebat locato untuk merealisasikan lokasi kesalahan penebat.
    Modul kuasa HDR-60-24 Bekalan kuasa semasa HDR-60-24 dapat menyediakan bekalan kuasa 24V DC secara serentak untuk AIM-M200
    Instrumen Pemantauan Penebat Pintar Perubatan, Penjana Isyarat Ujian ASG150, Pencari Kesalahan Penebat Siri AIL150 dan AID150 Penggera dan Instrumen Paparan Pusat Bekalan kuasa adalah kapasiti tinggi, output voltan yang stabil, dan pemasangan yang mudah, yang dapat memenuhi keperluan bekalan kuasa meter di atas dan merupakan produk bekalan kuasa yang disyorkan.
    AID1 50 Penggera Pusat dan Alat Paparan AID150 Penggera berpusat dan instrumen paparan mengamalkan paparan kristal cecair LCD dan mencapai pertukaran data dengan instrumen pemantauan pemantauan Insulasi Pintar AIM-M200 melalui antara muka komunikasi RS485, yang boleh memantau data multi-saluran AIM-M200 instrumen pemantauan penebat pintar perubatan.

    Foto di tapak



Acrel Co., Ltd.